• Пневматический привод
Пневматический привод

№: ACT201

Тел: +86-532-66952179/66952180

E-mail: qdiflow@qdiflow.com

Описание

Qingdao I-Flow Co., Ltd

Спецификация

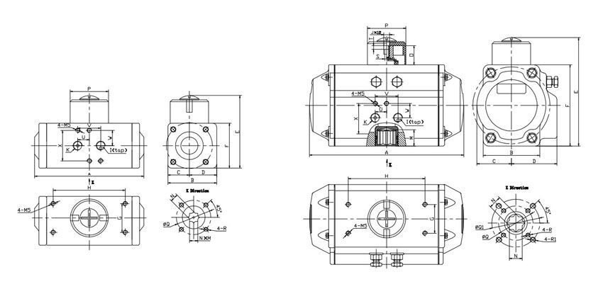
МодельФЛАНЕЦ L(ISO5211)Р / Р1АБСДИФграммЧАСяДжКНАШИпСТВВВИкс
Q/Q1М/Н(мнфн)
АТ-32ФК3М511651232970453080ПФМ61/8 дюйма20404412241632
φ369/10
АТ-50Ф03/Ф05М5/М614647294299693080ПФМ61/8 дюйма20404412241632
φ36 / φ5013/11
АТ-63Ф03/Ф05М5/М6163593648115853080ПФМ61/8 дюйма20404412241632
φ36 / φ5016/14
АТ-75Ф05/Ф07М6/М82146843511321023080ПФМ61/8 дюйма20404412241632
φ50 / φ7019/17
АТ-88Ф05/Ф07М6/М82526850561451153080ПФМ61/8 дюйма20404412241632
φ50 / φ7020/17
АТ-100Ф07/Ф10М8/М102709556641571273080ПФМ61/4 дюйма20404412241632
φ70 / φ10224/22
АТ-115Ф07/Ф10М8/М103169765751851453080ПФМ61/4 дюйма30624412241632
φ70 / φ10224/22
АТ-125Ф07/Ф10М8/М103549769791971573080ПФМ61/4 дюйма30624412241632
φ70 / φ10229/27
АТ-145Ф10/Ф12М10/М1241811580872181783080/130ПФМ61/4 дюйма30624412241632
φ102 / φ12530/27
АТ-160Ф10/Ф12М10/М12450118891042402003080/130ПФМ61/4 дюйма30804412241632
φ102 / φ12530/27
АТ-190Ф10/Ф12М10/М125181391031052722323080/130ПФМ61/4 дюйма30804412241632
φ102 / φ12540/36
АТ-210F14М1653013011311329725730130ПФМ61/4 дюйма30904412241632
φ14040/36
АТ-240F16М2066012912912933129130130ПФМ63/8 ''309044204022,545
φ16550/46
АТ-270F16М2073016014714737233230130ПФМ61/2 дюйма309044204022,545
φ16550/46
АТ-300F16М2088018016117239435430130ПФМ61/2 дюйма309044204022,545
φ16550/46
АТ-350Ф16/Ф25М20/М1691027019019044041030130ПФМ61/2 дюйма309044204022,545
φ165 / φ25450/46

 

Сопутствующие товары

Запрос

Отправить