

Тел.: +86-532-66952179/66952180
Факс: +86-532-66952181
Электронная почта: info@qdiflow.com
Адрес офиса продаж: Unit 1517-1520, Building 4, Excellence Century Center, No. 31 Longcheng Road Qingdao, China.
Адрес завода: город Санлуошу, уезд Хуйминь, Биньчжоу, Китай.
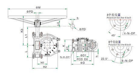
Описание
Это четвертьоборотный привод, подходящий для использования на шаровых кранах, поворотных затворах, пробковых клапанах и т. д. Корпус изготовлен путем точного литья, а коробки передач имеют свежий рисунок и красивый внешний вид. Он передается червячной передачей и червяком, а червячная передача с самоблокировкой, а также с использованием конического роликоподшипника, коробка передач может работать более гибко и иметь более высокую эффективность. Гайка штока может быть цельной или разделенной только в соответствии с требованиями заказчика. Монтажный фланец адаптируется к международному стандарту IS05211. стандарт. Таким образом, может быть удобнее сочетать клапаны. Степень защиты может быть IP65, для некоторых особых условий она также может быть IP68.
Технические характеристики
сопутствующие товары
Расследование
