• DIN3352 Задвижка из ковкого чугуна F4 NRS бронзовая отделка с одобренным классом индикатора
DIN3352 Задвижка из ковкого чугуна F4 NRS бронзовая отделка с одобренным классом индикатора

Тел: +86-532-66952179/66952180

E-mail: qdiflow@qdiflow.com

Описание

1. Дизайн соответствует DIN 1171.

2. Размеры лицевой стороны соответствуют стандарту EN558.1 F14.

3. Фланцы просверлены по EN1092-2 PN10/16.

4. Подходящая среда: вода

5.Подходящая температура:-30°C-200°C.

6. Тест в соответствии с EN12266-1 класса C.

Qingdao I-Flow Co., Ltd


Спецификация

РАЗМЕРлДД1Д2БСздЧАС
40140150110841634-19203
50150165125992034-19220
651701851451182034-19245
801802001601322238-19280
1001902201801562238-19331
1252002502101842438-19396
1502102852402112438-19438


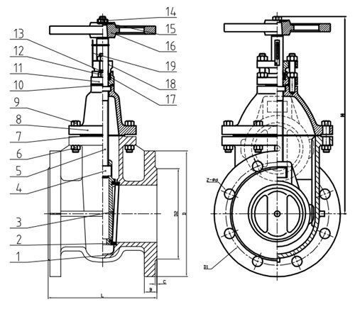
НЕТ.НАИМЕНОВАНИЕМАТЕРИАЛМАТЕРИАЛ СТАНДАРТ
1ТЕЛОКОВКИЙ ЧУГУНГГГ40.3
2КОЛЬЦО СЕДЛА КОРПУСАЛИТАЯ БРОНЗАCC491K
3КЛИНКОВКИЙ ЧУГУН + БРОНЗАГГГ40.3+СС491К
4КЛИНОВАЯ ВТУЛКАЛИТАЯ ЛАТУНЬАСТМ B584
5КОРЕНЬЛАТУНЬCW710R
6ОРЕХИСТАЛИАСТМ А307 Б
7ПРОКЛАДКА КОРПУСАГРАФИТ                      
8КАПОТКОВКИЙ ЧУГУНГГГ40.3
9БОЛТЫСТАЛИАСТМ А307 Б
10ПРОКЛАДКАРЕЗИНОВЫЙ ГРАФИТ                      
11САЛЬНИККОВКИЙ ЧУГУНГГГ40.3
12ОРЕХИСТАЛИАСТМ А307 Б
13БОЛТЫСТАЛИАСТМ А307 Б
14БОЛТЫСТАЛИАСТМ А307 Б
15СТИРАЛЬНАЯ МАШИНАСТАЛИАСТМ А307 Б
16МАХОВИКЧУГУНГГ25
17УПАКОВКАГРАФИТ                      
18САЛЬНИККОВКИЙ ЧУГУНГГГ40.3
19ИНДИКАТОРЛИТАЯ БРОНЗАCC491K

         

         

Сопутствующие товары

Запрос

Отправить