• Чугунный запорный вентиль DIN
Чугунный запорный вентиль DIN

Тел: +86-532-66952179/66952180

E-mail: qdiflow@qdiflow.com

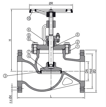
Описание

СТАНДАРТ КОНСТРУКЦИИ: DIN 86251 СТОП (DIN 3356)
ОПИСАНИЕ: железный корпус, запорный клапан с металлическим седлом,
поднимающийся шток, крышка на болтах. Фланцевое соединение с выступом.
ПРИМЕНЕНИЕ: На борту судов для горячего и холодного
вода, масло и пар.
Пуск/остановка и дросселирование: Морская вода, вода,
пар и масла и т. д. Подходит для прямого морского применения.
ВАРИАНТЫ: Возможна поставка с регулирующим
диск и невозвратный диск.
Отделка из нержавеющей стали. С индикацией открытия/закрытия.

Спецификация

Qingdao I-Flow Co., Ltd

Qingdao I-Flow Co., Ltd

Qingdao I-Flow Co., Ltd

Сопутствующие товары

Запрос

Отправить