

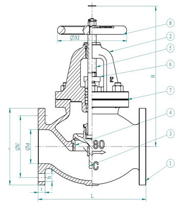
Стандарт: ДЖИС Ф7301,7302,7303,7304,7351,7352,7409,7410
Давление: 5К, 10К, 16К
Размер: DN15-DN300
Материал: чугун, литая сталь, кованая сталь, латунь, бронза.
Тип: шаровой клапан, угловой клапан,
Медиа: вода, масло, пар
Тел: +86-532-66952179/66952180
E-mail: qdiflow@qdiflow.com
Описание
Спецификация
Данные о размерах (мм)
Сопутствующие товары
Запрос