

1. Стандарт: API609, EN12266-1
2.Размер: DN15~DN1000мм (1/2"-40")
3. Давление: PN1.0~10MPa(class150-class900)
4. Подходящие среды: вода, масло, газ, пар
5. Материал корпуса: углеродистая сталь A216 WCB/A105, нержавеющая сталь
6. Тип: пластина, наконечник
Тел.: +86-532-66952179/66952180
Электронная почта: info@qdiflow.com
Тел.: +86-532-66952179/66952180
Факс: +86-532-66952181
Электронная почта: info@qdiflow.com
Адрес офиса продаж: Unit 1517-1520, Building 4, Excellence Century Center, No. 31 Longcheng Road Qingdao, China.
Адрес завода: город Санлуошу, уезд Хуйминь, Биньчжоу, Китай.
Описание
ТЕХНИЧЕСКИЕ ТРЕБОВАНИЯ:
Стандарт дизайна: API 609
Стандарт фланца: ANSI/ASME B16.5a, B16.47(A)
Лицом к лицу: ANSI B16.10/API 609
Испытание под давлением: API598
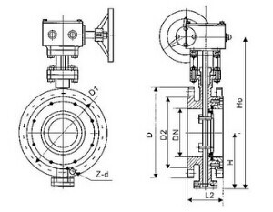
Технические характеристики
Данные размеров (мм) Класс 150
Данные размеров (мм) Класс 300
Данные размеров (мм) Класс 600
сопутствующие товары
Расследование
