
1. Размер: DN40-DN600; 2''-24''
2. Среда: вода
3. Стандарт: EN593/AWWA C504/MSS SP-67
4. Давление: CLASS 125-300/PN10-25/200-300PSI
5. Материал: CI, DI
6. Тип: wafer type, lug type, double flange type, U type, groove-end
Тел: +86-532-66952179/66952180
E-mail: qdiflow@qdiflow.com
Описание
ТЕХНИЧЕСКИЕ ТРЕБОВАНИЯ:
● Проектирование и производство соответствуют EN593, API609
● Размеры фланца соответствуют EN1092-2/ANSI B16.1
● Габариты Face to Face соответствуют EN558-1
● Испытания соответствуют EN12266-1, API 598
● Способ управления: рычаг, червячный привод, электрический, пневматический
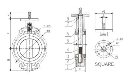
Спецификация
Габаритные данные (мм)
Сопутствующие товары
Запрос