
1. размер: DN40-DN600; 2 ''-24 ''
2. Среда: вода
3. Стандарт: EN593/AWWA C504/MSS SP-67
4. Давление: КЛАСС 125-300/PN10-25/200-300PSI
5. Материал: ДИ, ДИ
6. Тип: вафельный, с проушиной, с двойным фланцем, U-образный, с канавкой
Тел: +86-532-66952179/66952180
E-mail: qdiflow@qdiflow.com
Описание
ТЕХНИЧЕСКИЕ ТРЕБОВАНИЯ:
● Дизайн и производство соответствуют стандартам EN593, API609.
● Размеры фланцев Соответствуют EN1092-2/ANSI B16.1
● Размеры лицевой стороны Соответствуют EN558-1
● Тестирование в соответствии с EN12266-1, API 598.
● Режим движения: рычажный, червячный, электрический, пневматический.
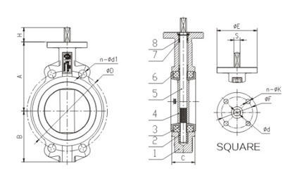
Спецификация
Данные о размерах (мм)
Сопутствующие товары
Запрос