

1. Размер: DN50-DN600; 2 ''-24 ''
2. Среда: вода
3. Стандарт: EN12334/BS5153/MSS SP-71/AWWA C508
4. Давление: КЛАСС 125-300/PN10-25/200-300PSI
5. Материал: ДИ, ДИ
6. Тип: пластина, качели
Тел.: +86-532-66952179/66952180
Электронная почта: info@qdiflow.com
Тел.: +86-532-66952179/66952180
Факс: +86-532-66952181
Электронная почта: info@qdiflow.com
Адрес офиса продаж: Unit 1517-1520, Building 4, Excellence Century Center, No. 31 Longcheng Road Qingdao, China.
Адрес завода: город Санлуошу, уезд Хуйминь, Биньчжоу, Китай.
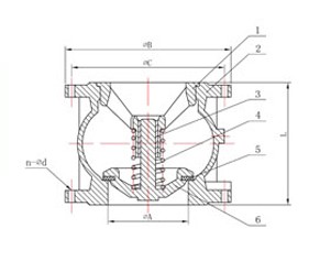
Описание
ТЕХНИЧЕСКИЕ ТРЕБОВАНИЯ
1. Рабочее давление: 1,0/1,6 МПа.
2. Рабочая температура:
НБР: 0℃~80℃
ЭПДМ: -10℃~120℃
3. Стандарт фланца: EN1092-2 PN10/16
4. Тестирование: DIN3230, API598.
5. Среда: пресная вода, морская вода, продукты питания, все виды нефти и т. д.
Технические характеристики
Данные о размерах (мм)
сопутствующие товары
Расследование
